For use with classified enclosure purge and pressurisation systems. ATEX Cabinet Coolers have been tested by UL and meet the stringent ATEX requirements for Zones 2 and 22.
ATEX Cabinet Cooler Systems are engineered and approved for use upon purged electrical enclosures (not included) found within ATEX zoned areas. The areas approved are Zone 2 and 22. EXAIR’s ATEX Cabinet Cooler Systems have been tested by UL and meet the stringent ATEX requirements for these areas. Cabinet Cooler Systems are a low cost and reliable way to cool purged electric control panels found within these environments. They utilise vortex tube technology to produce up to 5,600 Btu/hr, with no moving parts, which additionally creates a low maintenance solution for cooling your ATEX purged cabinets.
The compact Cabinet Cooler is an easy-to-use air conditioner that can be installed in minutes through a standard electrical knockout. Aluminium and Stainless Steel ATEX Cabinet Coolers that match the NEMA (IP) rating of the enclosure are available in many cooling capacities for large and small control panels.
EXAIR’s ATEX Cabinet Cooler Systems have been set apart from the competition by being certified for Zone 2 and 22 environments. Thermostatically controlled systems are recommended for the highest efficiency and include ATEX approved solenoids, also for hazardous environments. EXAIR Cabinet Coolers Systems will install upon your purged enclosure in minutes, require little to no maintenance and operate under the toughest of industrial conditions. If you require low cost, ease of use and/or reliability – an ATEX Cabinet Cooler System will meet your needs.
EXAIR ATEX cabinet Cooler Systems are available in 8 different cooling capacities from 1,000 to 5,600 Btu/hr. This range of cooling allows for choosing the best fit for your cooling needs without wasting compressed air.
Cabinet Cooler Systems protect your electronics from heat, dirt and moisture and keep your processes running. They are the low-cost solution to messy, high maintenance coolant-based air conditioners with simple installation. With modern technology comes an increased number of small electronic components packed into smaller electronic cabinets. This creates a high internal heat load which increases failures due to heat. Components will fail, sensors will misread, controls can drift and displays become inaccurate. EXAIR ATEX Cabinet Coolers can solve these problems and prevent loss of productivity, shutdown and the expense of new components.
Each different ATEX Cabinet Cooler System is available with a thermostat control or as a continuous operation system. Each of these systems will include a water-dirt filter separator to prevent water condensate and dirt from entering your enclosure and cold air distribution kit used to direct the air for circulation and onto hot spots. ATEX Cabinet Cooler Systems are also available in Type 303 and Type 316SS for highly corrosive environments.
EXAIR’s ATEX Cabinet Cooler Systems are not purged and pressurised control systems and should not be relied upon nor used in place of a purged and pressurised controller. They are meant for use in conjunction with a purged and pressurised control system.
Any control systems and accessories not rated for the ATEX zone need to be moved outside of the ATEX zone or inside a properly purged and pressurised enclosure that is suitable for the ATEX zone.
EXAIR’s ATEX Cabinet Cooler Systems are rated to be used in Zone 2 and 22 areas. ATEX Cabinet Cooler Certification

EXAIR’s ATEX Cabinet Cooler Systems comply with the OSHA Maximum Allowable Noise Exposure standards (29 CFR – 1910.95 (a)). All sound level measurements are taken at 3 feet (914mm) away.

EXAIR’s ATEX Cabinet Cooler Systems comply with the EU General Product Safety Directive (2001/95/EC) and meet the noise limitation requirements of the EU Machinery Directive (2006/42/EC). All sound level measurements are taken at 3 feet (914mm) away.

Look for this symbol to designate conflict mineral free products throughout our website. EXAIR supports Section 1502 of the Dodd-Frank Wall Street Reform and Consumer Protection Act and we are committed to compliance with the conflict minerals rule in order to curb the illicit trade of tin, tantalum, tungsten and gold in the DRC region. EXAIR is using the CMRT 3.02 template to document our supply chain and commitment to conflict free products.
| NEMA 4 (IP66) Models |
| ATEX4615 |
| ATEX4625 |
| ATEX4630 |
| ATEX4640 |
| ATEX4715 |
| ATEX4725 |
| ATEX4730 |
| ATEX4740 |
| ATEX4815 |
| ATEX4825 |
| ATEX4830 |
| ATEX4840 |

| NEMA 4X (IP66) Models |
| ATEX4615SS |
| ATEX4625SS |
| ATEX4630SS |
| ATEX4640SS |
| ATEX4715SS |
| ATEX4725SS |
| ATEX4730SS |
| ATEX4740SS |
| ATEX4815SS |
| ATEX4825SS |
| ATEX4830SS |
| ATEX4840SS |

| Aluminium ATEX Cabinet Cooler Systems (maintain NEMA 4 / IP66 integrity) | |||||||
| Cooling Capacity @ 100 PSIG / 6.9 BAR | Sound Level dBA |
Cabinet Cooler Only Model | Continuous Operation System Model | 120VAC Thermostat Control Model | 240VAC Thermostat Control Model | 24VDC Thermostat Control Model | |
| Btu/hr | Kcal/hr | ||||||
| 1,000 | 252 | 73 | BPATEX4615 | BPATEX4715 | BPATEX4815-120 | BPATEX4815-240 | BPATEX4815-24VDC |
| 1,700 | 428 | 80 | BPATEX4625 | BPATEX4725 | BPATEX4825-120 | BPATEX4825-240 | BPATEX4825-24VDC |
| 2,000 | 504 | 80 | BPATEX4630 | BPATEX4730 | BPATEX4830-120 | BPATEX4830-240 | BPATEX4830-24VDC |
| 2,800 | 706 | 82 | BPATEX4640 | BPATEX4740 | BPATEX4840-120 | BPATEX4840-240 | BPATEX4840-24VDC |
| 3,400 | 857 | 84 | N/A | BPATEX4750 | BPATEX4850-120 | BPATEX4850-240 | BPATEX4850-24VDC |
| 4,000 | 1,007 | 84 | N/A | BPATEX4760 | BPATEX4860-120 | BPATEX4860-240 | BPATEX4860-24VDC |
| 4,800 | 1,209 | 84 | N/A | BPATEX4770 | BPATEX4870-120 | BPATEX4870-240 | BPATEX4870-24VDC |
| 5,600 | 1,411 | 85 | N/A | BPATEX4780 | BPATEX4880-120 | BPATEX4880-240 | BPATEX4880-24VDC |
| Stainless Steel ATEX Cabinet Cooler Systems (maintain NEMA 4X / IP66 integrity) | |||||||
| Cooling Capacity @ 100 PSIG / 6.9 BAR |
Sound Level dBA | Cabinet Cooler Only Model | Continuous Operation System Model | 120VAC Thermostat Control Model | 240VAC Thermostat Control Model | 24VDC Thermostat Control Model | |
| Btu/hr | Kcal/hr | ||||||
| 1,000 | 252 | 73 | BPATEX4615SS | BPATEX4715SS | BPATEX4815SS-120 | BPATEX4815SS-240 | BPATEX4815SS-24VDC |
| 1,700 | 428 | 74 | BPATEX4625SS | BPATEX4725SS | BPATEX4825SS-120 | BPATEX4825SS-240 | BPATEX4825SS-24VDC |
| 2,000 | 504 | 74 | BPATEX4630SS | BPATEX4730SS | BPATEX4830SS-120 | BPATEX4830SS-240 | BPATEX4830SS-24VDC |
| 2,800 | 706 | 78 | BPATEX4640SS | BPATEX4740SS | BPATEX4840SS-120 | BPATEX4840SS-240 | BPATEX4840SS-24VDC |
| 3,400 | 857 | 75 | N/A | BPATEX4750SS | BPATEX4850SS-120 | BPATEX4850SS-240 | BPATEX4850SS-24VDC |
| 4,000 | 1,007 | 77 | N/A | BPATEX4760SS | BPATEX4860SS-120 | BPATEX4860SS-240 | BPATEX4860SS-24VDC |
| 4,800 | 1,209 | 77 | N/A | BPATEX4770SS | BPATEX4870SS-120 | BPATEX4870SS-240 | BPATEX4870SS-24VDC |
| 5,600 | 1,411 | 79 | N/A | BPATEX4780SS | BPATEX4880SS-120 | BPATEX4880SS-240 | BPATEX4880SS-24VDC |
NEMA 4X also available in Type 316 Stainless Steel. Contact CAA for details.
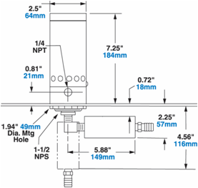
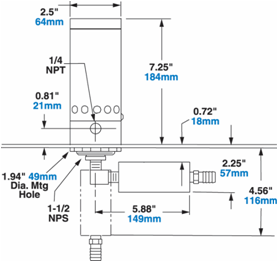
EXAIR’s Side Mount Kits make mounting on the side of an electrical enclosure possible when there is limited space on the top or side. (NEMA 4 and 4X Cabinet Coolers must be mounted vertically.) The Side Mount Kits maintain the NEMA rating of large and small NEMA Type 12, 4 and 4X enclosures. They mount in a standard electrical knockout (1-1/2 NPS). Side Mount Kits for NEMA 12 Cabinet Coolers have an aluminium construction. Those for NEMA 4 and 4X Cabinet Cooler Systems are Type 303 or Type 316 stainless steel.
EXAIR’s Side Mount Kits for NEMA 12, 4 and 4X Cabinet Coolers offer convenient mounting to the side of an electrical enclosure.
| 90 Degree Side Mount Kit Dimensions | ||||||||
| Model | A | B | C | D | E | F | G | |
| 4907 4907-316 |
in | 2.50 | 2.50 | 1.50 | 3.50 | 3.03 | 1-1/2 NPS | 1-1/2 NPS |
| mm | 64 | 64 | 38 | 89 | 77 | |||
| Side Mount Kits for NEMA 4 and 4X Cabinet Coolers | |||||||
| Model | Description | ||||||
| 4907 | Side Mount Kit for NEMA 4 and 4X Cabinet Coolers 650 Btu/hr. (165 Kcal/hr.) and higher | ||||||
| 4907-316 | Type 316 Stainless Steel Side Mount Kit for NEMA 4X 316SS Cabinet Coolers 650 Btu/hr. (165 Kcal/hr.) and higher | ||||||
With proper filtration of dirt, moisture and oil from the compressed air supply, EXAIR compressed air products will operate for years with no maintenance required. Use a 5 micron or smaller filter separator on the compressed air supply. To prevent problems associated with oil, use a 0.03 micron or smaller oil removal filter on the compressed air supply. Pressure regulators permit easy selection of the operating pressure, providing infinite control of flow, force and air consumption.
Learn MorePlease login to access the PDF Catalogue.
Copyright 2019 © Compressed Air Australia | Website Design Web365 Darwin